博测科技(佛山)有限公司 | 优利德测试仪器一级代理商 您好,欢迎来到博测科技企业网站!
博测科技 | 专注测试与测试解决方案
热门搜索:MSO3054X  示波器  数据记录仪  电池测试仪
销售热线:
180 3884 5217
133 1835 5217
您所在的位置:首页 > UNI-T/优利德 > 示波器及探头 > 数字示波器 > MSO7000X系列高带宽混合信号示波器
UNI-T 优利德 MSO7000X系列高带宽混合信号示波器
带宽高达2.5GHz,波形捕获率达1,000,000 wfms/s,结合1G超长存储深度,显著提升异常信号捕获能力
品牌: UNI-T/优利德
型号: MSO7000X
保修期: 1年
供货期: 1周
外形尺寸: mm
重量: kg
技术规格: 模拟通道数:4,模拟带宽:1/2/2.5GHz,最高实时采样率:10GSa/s,最大存储深度:1Gpts,最高波形捕获率:1,000,000wfms/s,数字通道:16,内置信号源:60MHz
立即询价 在线购买 打印
产品标签:UNI-T,优利德,MSO7000X,MSO7254X,MSO7204X,MSO7104X,高带宽混合信号示波器
产品中心
Products
全部分类
示波器及探头
数字示波器 [77]
混合域示波器 [22]
手持式示波表 [10]
探头及附件 [15]
安规测试仪器
电力测量仪器
通用电子测量仪器
记录仪,数据采集仪
红外热成像仪
电源及负载
自动测试系统
EMC测试仪器
便携式仪表
测试附件及其他
主推品牌
Brands
优利德(UNI-T)
日本日置(HIOKI)
台湾固纬(GWINSTEK)
上海飞础科(FOTRIC)
常州泰斯科(Testkey)
上海航裕(HYPower)
艾德克斯(ITECH)
杭州威衡(WEIHENG)
罗德与施瓦茨(Rohde&Schwarz)
美国泰克(Tektronix)
上海凌世(LIONCEL)
美国福禄克(Fluke)
小安智能(XIAOAN)
全部品牌
产品介绍 技术参数 附件及选件 解决方案 相关下载
MSO7000X系列高带宽混合信号示波器

MSO7000X系列高带宽混合信号示波器,拥有非凡的性能指标,全面细致的分析功能,人性化的触控体验,助您在科技的海洋无限探索。

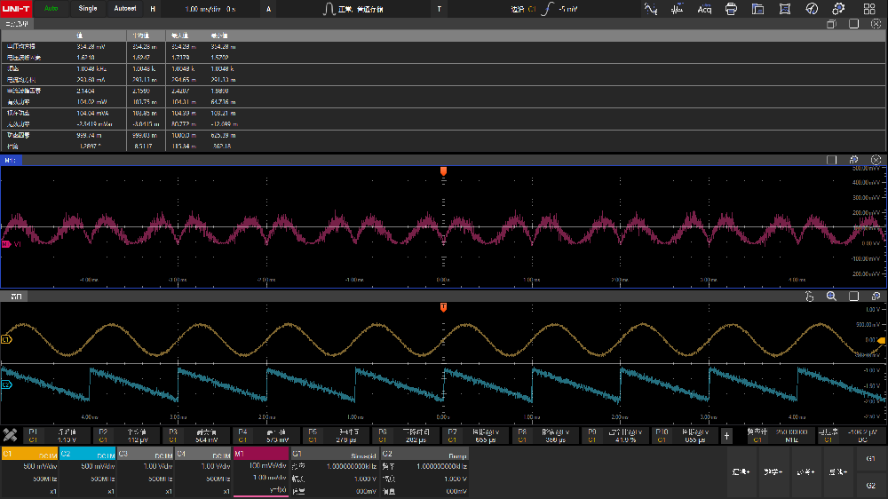
2G带宽是高端示波器的起点,MSO7000X系列带宽高达2.5GHz,在高速信号分析中有明显的优势。MSO7000X采用UltraAcq®技术,提升波形捕获率达1,000,000 wfms/s,结合1G超长存储深度,显著提升异常信号捕获能力,以及波形细节测量和分析能力。搭载Win10 64位操作系统,为用户提供稳定可扩展的系统平台,通过提供示波器API接口,显著提升系统的智能化程度,满足日益复杂的用户需求。

4 1/2/2.5GHz 10GSa/s 1Gpts 1,000,000wfms/s 16 60MHz
模拟通道数 模拟带宽 最高实时采样率 最大存储深度 最高波形捕获率 数字通道 内置信号源
产品型号
型号 模拟通道数 模拟带宽 最高实时采样率 最大存储深度 最高波形捕获率 数字通道 内置信号源
MSO7254X 4 2.5GHz 10GSa/s 1Gpts 1,000,000wfms/s 16 60MHz
MSO7204X 4 2GHz 10GSa/s 1Gpts 1,000,000wfms/s 16 60MHz
MSO7104X 2 500MHz 10GSa/s 1Gpts 1,000,000wfms/s 16 60MHz
产品特色
多通道平铺-发现更多信号细节

- 方便查看每个通道的波形
- 可全屏查看单通道波形
- 每个波形保持ADC最大分辨率

多窗口布局-灵动布局,最大化展示

- 任意组合
- 任意大小
- 悬浮下沉
- 全屏分窗口

Windows+-发现更多可能

支持MATLAB嵌入式编程,运算结果直接渲染到示波器窗口

WebServer-兼容多平台远程操控

- SCPI远程控制
- 远程查看和控制
- 导出波形文件
- 在线浏览使用手册
- 支持手机访问

8种电源测量与分析

- 电源质量
- 谐波分析
- 开关损耗
- 安全工作区
- 涌入电流
- 波纹分析
- 电源效率
- 启动/关闭时间

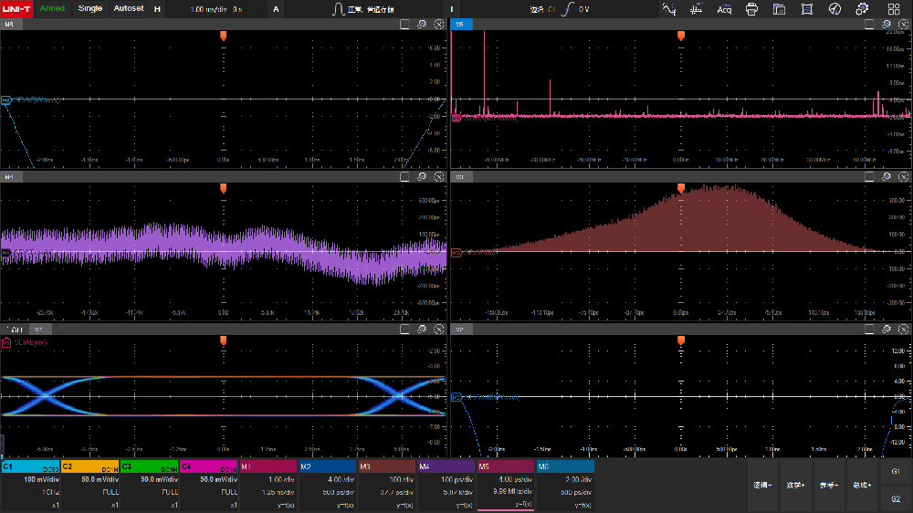
抖动分析及眼图

定位时钟和总线信号抖动带来的系统故障
- TIE抖动、周期抖动、cycle-cycle抖动
- TIE趋势图、TIE频谱图
- 直方图
- 浴盆曲线

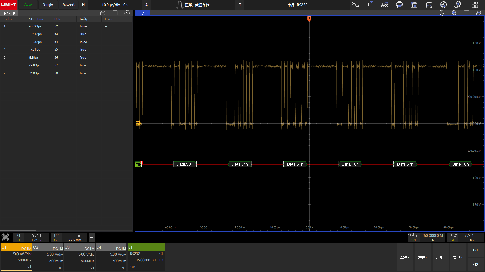
11种串行协议触发和分析

- RS-232/422/485/UART、SPI、I2C、CAN、CAN-FD、 SENT 、LIN、FlexRay、AudioBus
- MIL STD 1553、ARINC429
- 支持数据触发和包类型触发
- 支持事件列表和搜索功能

相关产品
优利德 MSO/UPO2000 数字荧光示波器
优利德 MSO/UPO3000CS 数字荧光示波器
优利德 MSO1000HD 高分辨率示波器
优利德 MSO2000X 混合信号示波器
优利德 MSO3000HD 高分辨率示波器
优利德 MSO3000X 混合信号示波器
优利德 MSO5000HD 高分辨率示波器
优利德 MSO8000HD 高分辨率示波器
优利德 UPO1000CS 数字荧光示波器
优利德 UPO1000HD 高分辨率示波器
优利德 UPO1000X 数字荧光示波器
优利德 UPO2000CS 数字荧光示波器
优利德 UPO2000HD 高分辨率示波器
优利德 UPO6000Z 数字荧光示波器
优利德 UPO7000N 数字荧光示波器
优利德 UPO7000Z 数字荧光示波器
优利德 UTD2000CEX+ 数字存储示波器
优利德 UTD2072CL 数字存储示波器
优利德 UTD7000C 数字存储示波器

在线客服1:
点击这里给我发消息

在线客服2:
点击这里给我发消息

在线客服3:
点击这里给我发消息

客户服务热线:
18038845217 0757-22205117

服务时间:
8:30-18:00(周一至周六)

联系我们

销售热线:

180 3884 5217
0757-2220 5117

传真:

0757-2220 5117

电子邮件:

chinaprotech@126.com
周一至周六 8:30-18:00
热销产品
示波器
数据记录仪
数据采集仪
阻抗分析仪
LCR测试仪
电阻计(微电阻计)
电池测试仪
功率分析仪
电能质量分析仪
红外热像仪
产品分类
记录仪,数据采集仪
电子测量仪器
电力测量仪器
安规测试仪器
示波器及探头
红外热成像仪
电源及负载
自动测试系统
EMC测试仪器
便携式仪表
主推品牌
优利德(UNI-T)
泰斯科(Testkey)
日本日置(HIOKI)
台湾固纬(GWInstek)
飞础科(Fotric)
杭州威衡(WEIHENG)
美国泰克(Tektronix)
艾德克斯(ITECH)
罗德与施瓦茨(R&S)
解决方案
电力/新能源
汽车电子
电子零件
电池
轨道交通
5G通信/物联网
医疗器械
智能家电
服务与支持
技术文档
下载中心
常见问题
留言反馈

关于博测

了解博测
联系我们
扫一扫,关注博测科技微信
Copyright © 2019-2026  博测科技(佛山)有限公司  版权所有,并保留所有权。   粤ICP备20053099号
粤公网安备 44060602001670号